
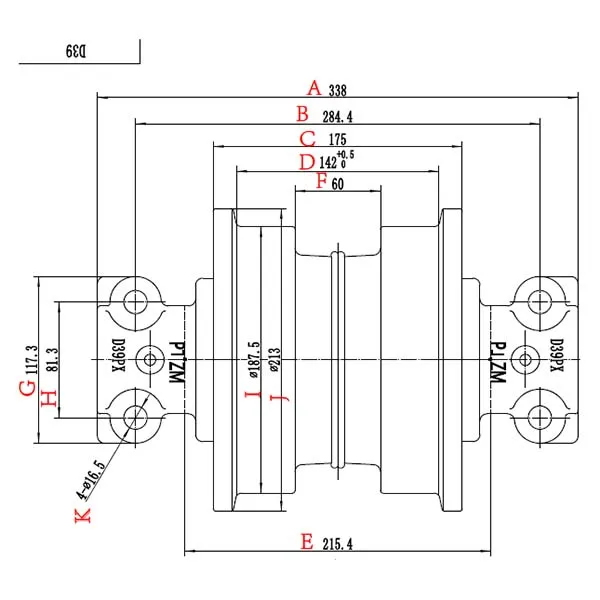
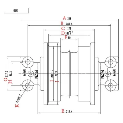
Tabla de tamaño (unidad: mm)
| D39 | A | B | C | D | E | F | G |
| 338 | 284.4 | 175 | 142 | 215.4 | 60 | 117.3 | |
| H | I | J | K | L | M | N | |
| 81.3 | 187.5 | 213 | 4-16.5 | 55 | 33.5 | 50 |
Nos especializamos en la fabricación del conjunto completo de piezas del tren de rodaje para excavadoras mineras de 200 toneladas. Actualmente, hemos completado la fabricación de la rueda guía delantera, el rodillo de oruga y de soporte, la llanta del segmento de la rueda dentada y el conjunto de cadena para PC1250.
| Conjunto de eslabón de oruga | 48L | 21N-32-00101 |
| Zapata de oruga | 700MM | 21N-32-31110 |
| Conjunto de rueda guía | 21N-30-00111 | |
| Rodillo superior | 21N-30-00130 | |
| Rodillo inferior | 21N-30-00121 | |
| Rueda guía | 25T-38H | 21N-27-31191 |
Fundada en 1987, PingTai Machinery (PT'ZM) se especializa en piezas para el tren de rodaje de excavadoras y bulldozers, incluyendo rodillos de oruga, ruedas guía, ruedas dentadas, segmentos de ruedas dentadas y componentes relacionados. Fabricados con precisión según las especificaciones OEM 1:1 de Komatsu, Caterpillar, Hitachi, Volvo y otras marcas líderes, nuestros productos son resistentes y aptos para minería, construcción urbana y entornos extremos. Con certificaciones GB/ISO9001, ISO14001 e ISO45001, PT'ZM atiende a clientes en todo el mundo, ofreciendo productos de alta calidad, entregas puntuales, soporte técnico y soluciones rentables para relaciones comerciales a largo plazo y mutuamente beneficiosas.